產品詳情



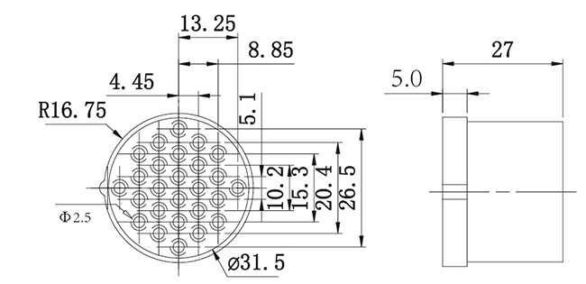
WYD41-26航空插座是為ZW20,ZW28,ZW12型戶外交流智能分界真空斷路器(看門狗)而開發的新型連接器產品。 1.采用雙連接帽螺紋連接鎖緊結構(雙重保護),具有耐環境性和抗沖擊性。 2.外殼采用銅合金鍍烙處理,具有表面光亮,美觀,耐磨、防銹等優點。 3.具有快速連接,安裝和接線等優點, 4.插頭內部做灌膠處理,具有高可靠的戶外防水功能可達到IP68等級, 5.可與國外同類產品互換 廣泛用于城鄉電網改造戶外真空斷路器配套產品。 WYD41航空接插件插頭、插座采用螺紋連接鎖緊,具有防誤插功能。插針與導線的端接采用焊接方式。其插座和插頭的結構能滿足(插座針式,插頭孔式)均符合國網標準。 |
| 項目10芯16芯26芯 額定電流≥20A≥20A≥25 工作電壓250V(AC)耐電壓2000V(AC)工作溫度-40℃~105℃相對濕度90%~95%(40℃±2℃時)鹽 霧5%NaCl霧氣中96h密封性頭座配合0.5m水深0.5h不滲水(防雨淋)振 動10~2000Hz,147m/s2,瞬斷≤1us沖 擊加速度峰值490m/s2,瞬斷≤1us抗拉力≥500N機械壽命≥500次絕緣電阻常態下≥2000MΩ材料接觸件銅合金鍍金基體硬度維氏(HV)≥170(布氏(HB)≥160)接觸電阻≤2mΩ≤2mΩ≤2mΩ 鎖定方式卡口鎖定螺紋鎖定卡口鎖定 |



聯系我們
電話:
13813043119
傳真:微信號:zm4806579 QQ:7117060
郵箱: zhangming@njsmwdq.com
地址:南京市浦口區高新技術開發區龍泰路8號龍威產業園3棟2樓












